| Units | Price/unit after discount | Applied Discount |
| 1+ | - |
Graphite carbon piston.
Annealed borosilicate glass cylinder.
Precision fire-polished bore.
Stainless steel piston rod (AISI 304).
Damping coefficient = 0-7,0 N/(mm/s).
Friction coefficient = 0.2.
Force without side load: <8g.
Operating temperature range: -55°c8g.
Operating temperature range: -55° to 125°c.
*If operating temperature is above +70°c, please advise at time of ordering.
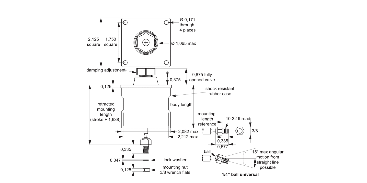
Mounting data:
Mounting nut torque:
Rod end = 5-15 in-lb (0.56-1.7 Nm)
Full stroke is obtained with customer held mounting tolerance of ±0.015" (0.38mm).
Level of damping is adjustable by hand. If you know the level of damping required we can pre-set this in the factory.
Company registration no: 00496138
Company VAT number GB 408154022
Alexia House, Glenmore Business Park
PO19 7BJ Chichester
United Kingdom
0333 207 4498
sales@automotioncomponents.co.uk























































































