| Units | Price/unit after discount | Applied Discount | 
| 1+ | - | 
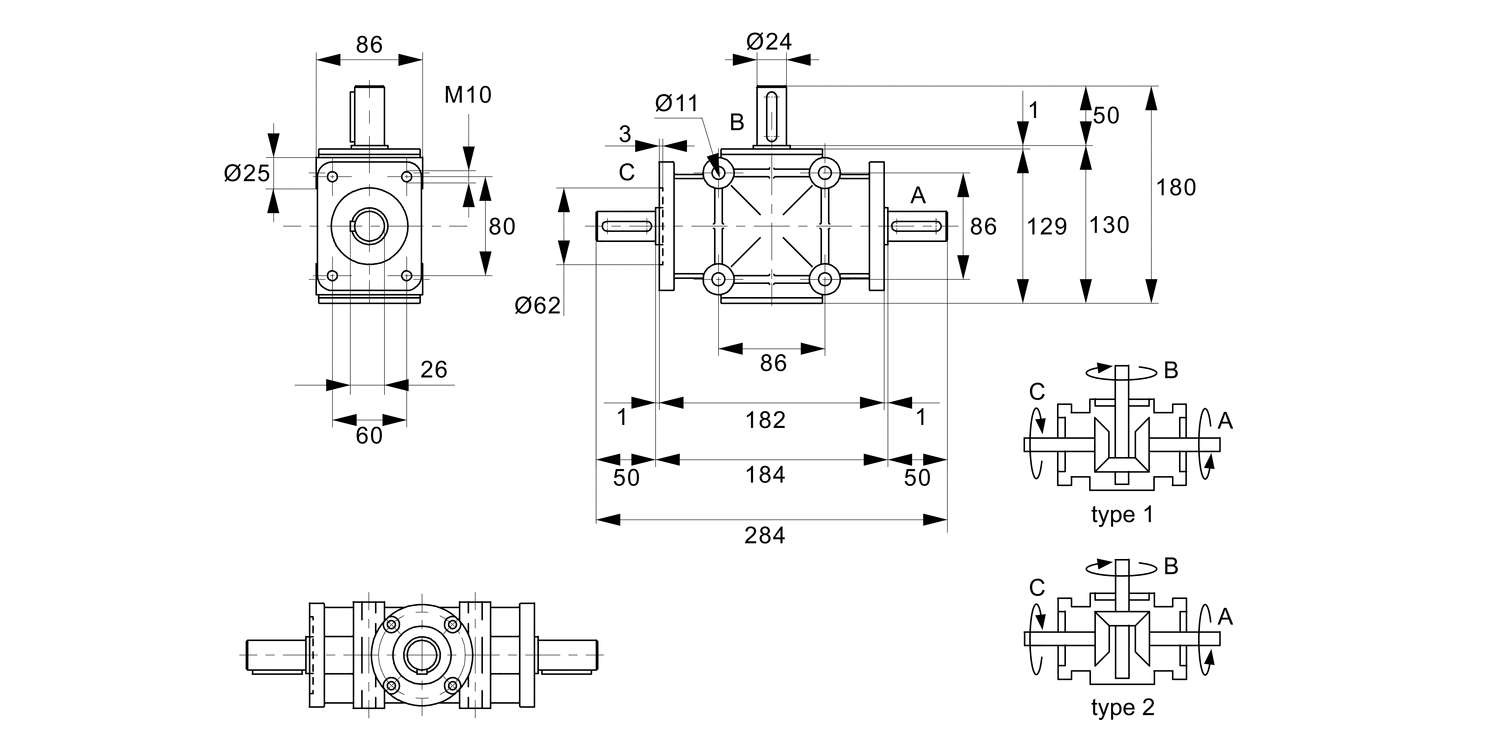
Lightweight aluminium alloy housing.
Case-hardened steel gears and shafts. Shafts are key-wayed.
Normally used as speed reducers.
Shaft A is the input shaft. Optimum performance based on max. 1400 rpm input.
Provides on average 10,000 hours trouble-free life.
Where ratio geared units are used as speed increasers  the optimum input speed is 750 rpm for 1:2 ratios.
Very low operating noise levels.  Temperature range is -20° to +80°.
Max. radial loading :50 Kg.
Max. axial loading: 10 Kg.
Angular alignment: 15' to 30' of arc.
See technical pages for gear box selection guide,
based on motor rating, gearing ratio, load type and expected hourly usage hours.
Company registration no: 00496138
Company VAT number GB 408154022
Alexia House, Glenmore Business Park 
PO19 7BJ Chichester
United Kingdom
0333 207 4498
sales@automotioncomponents.co.uk























































































