| Units | Price/unit after discount | Applied Discount |
| 1+ | - |
Stainless steel (DIN 1,4305) or aluminium (DIN 3,1355 anodized before cutting).
20° pressure angle, zero backlash.
Quality class DIN 7, AGMA 10.
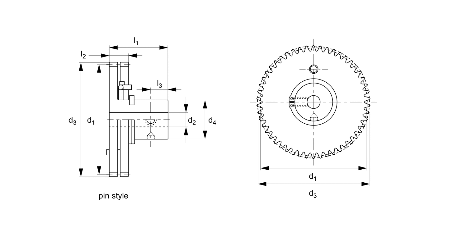
The split gear design incorporates springs which force the floating gear
in a direction opposite to the rotation of the fixed gear,
effectively enlarging the teeth width and overcoming the space, or backlash,
between the teeth of the gear. Two types of design, one utilising scissor springs (figure 1),
and the second, for larger diameter gears, utilising extension springs (figure 2).
Special versions available on request (e.g. different number of teeth, 14,5° pressure angle etc).
Company registration no: 00496138
Company VAT number GB 408154022
Alexia House, Glenmore Business Park
PO19 7BJ Chichester
United Kingdom
0333 207 4498
sales@automotioncomponents.co.uk























































































