| Units | Price/unit after discount | Applied Discount |
| 1+ | - |
Graphite carbon piston.
Annealed borosilicate glass cylinder.
Precision fire-polished bore.
Stainless steel piston rod (AISI 304).
Shock resistant rubber case.
Piston area = 0.038 in² (24.54mm²)
Pressure range = full vacuum - 125 psi (0.86 MPa)
Force factor:
Piston area x pressure = output force.
Max force = 21.13N (at 0.86 MPa)
Minimum pressure differential required for actuation = 0.05 psi (345 Pa)
Friction coefficient = 0.2
Force without side load typically 0.5% - 1.5% of load.
Operating temperature range: -55°c to 150°c.
If operating at temperatures about +70°c, please advise when placing order.
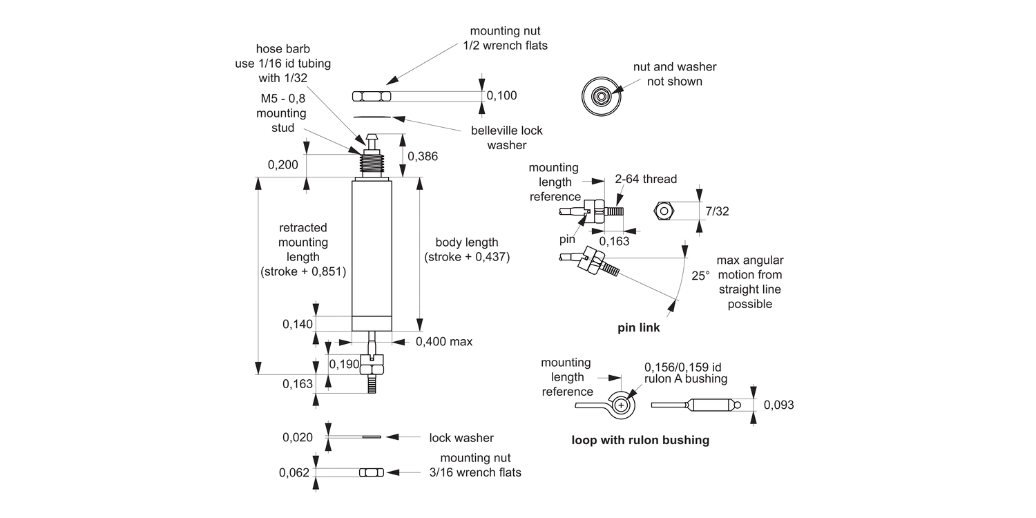
Mounting data:
Suggested mounting bracket thickness = 0.050" - 0.100" (1.27mm - 2.54mm).
Mounting nut torque:
Head = 2-4 in-lb (0.23-0.45 Nm).
Rod end = 1-3 in-lb (0.11-0.34 Nm).
*Full stroke is obtained with customer held mounting tolerance of ±0.015" (0.038mm).
Please see technical pages for information on end linkages.
Company registration no: 00496138
Company VAT number GB 408154022
Alexia House, Glenmore Business Park
PO19 7BJ Chichester
United Kingdom
0333 207 4498
sales@automotioncomponents.co.uk























































































